-
Переміщення
- Пневмоциліндри за міжнародними стандартами
- Компактні пневмоциліндри (притискні)
- Пневмоциліндри з неіржавної сталі
- Пневмоциліндри з вбудованими напрямними
- Пневмоциліндри не за стандартом
- Поворотні пневмоциліндри
- Безштокові пневмоциліндри
- Магнітні датчики положення
- Додаткове приладдя до циліндрів
- Спеціальні рішення
- Управління
- З’єднання
- Підготовка повітря
- Магістральна підготовка повітря
- Трубопровідна арматура
- Захвати Пневматичні
- Компоненти вакуумної системи
- Електричні приводи
Нова продукція
Циклонні сепаратори розроблені для високоефекти
Магістральний фільтр - це спеціальни
Фільтри серії FYD розроблені для високоеф
Фільтри F4-...-О2 для роботи з киснем були спец
Опис
Основною характеристикою даних фітингів є наявність ущільнюючого фторопластового кільця Sprint ® на різьбі, що виключає необхідність використання інших ущільнень, а також прискорює монтаж. Крім того, наявність ущільнення гарантує герметичність після монтажу та дає можливість проводити з’єднання і роз’єднання фітингів по кілька разів без використання додаткових ущільнень різьби.
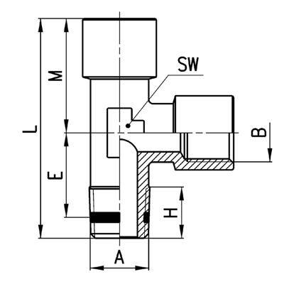
Мод. | A | B | E | H | L | M | SW | Вага (г) |
|---|---|---|---|---|---|---|---|---|
S2070 1/8-1/8 | R1/8 | G1/8 | 11,5 | 8,5 | 37 | 19 | 12 | 30 |
S2070 1/4-1/4 | R1/4 | G1/4 | 15 | 11 | 46 | 23 | 13 | 36 |
S2070 3/8-3/8 | R3/8 | G3/8 | 15 | 11,5 | 48,5 | 25 | 16 | 51 |
S2070 1/2-1/2 | R1/2 | G1/2 | 17,5 | 14 | 60,5 | 31,5 | 20 | 89 |
![]() |
Код![]() |
Найменування![]() |
|---|
| Матеріали | латунь OT58 покрита нікелем, ущільнення PTFE |
| Приєднання | трубна конічна ISO 7 (BSPT) трубна циліндрична ISO 228 (BSP) |
| Тиск | 40 бар |
| Робоче середовище | стиснене повітря і рідина, сумісна з матеріалами фітингів |
| Температура | -40°C ÷ 120°C |

