Магістральний фільтр - це спеціальни
-
Переміщення
- Пневмоциліндри за міжнародними стандартами
- Компактні пневмоциліндри (притискні)
- Пневмоциліндри з неіржавної сталі
- Пневмоциліндри з вбудованими напрямними
- Пневмоциліндри не за стандартом
- Поворотні пневмоциліндри
- Безштокові пневмоциліндри
- Магнітні датчики положення
- Додаткове приладдя до циліндрів
- Спеціальні рішення
- Управління
- З’єднання
- Підготовка повітря
- Магістральна підготовка повітря
- Трубопровідна арматура
- Захвати Пневматичні
- Компоненти вакуумної системи
- Електричні приводи
Нова продукція
Фільтри серії FYD розроблені для високоеф
Фільтри F4-...-О2 для роботи з киснем були спец
Витратомір Серії FS розрахований на діапазон витра
Ці кульові крани MINI використовуються для відкрит
Пропорційний регулятор тиску Серії PME є ідеальним
Мініслайдери Серії MSN є оптимальним рішенням для
Пневматичні слайдери Серії MST є ідеальним рішення
Завдяки широкому діапазону доступних опцій, пневма
Завдяки широкому діапазону доступних опцій, пневма
Завдяки широкому діапазону доступних опцій, пневма
Завдяки широкому діапазону доступних опцій, пневма
Завдяки широкому діапазону доступних опцій, пневма
Дана засувка призначена для целюлози, цементного ш
Дана засувка призначена для целюлози, цементного ш
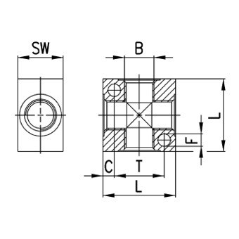
Колектор 3033
Опис
Серія 2000 має прямі, Y-подібні, Т-подібні та хрестоподібні фітинги із зовнішньою або внутрішньою різьбою до G1. Різьба трубна конічна згідно стандарту ISO 7 (BSPT); трубка циліндрична згідно стандарту ISO 228 (BSP).
Колектори на 4 виходи з кріпильними отворами
Матеріал: анодований алюміній
|
Мод. |
B |
C |
F |
L |
T |
SW |
Вес (г) |
|---|---|---|---|---|---|---|---|
|
3033 1/8 |
G1/8 |
4 |
4,5 |
25 |
17 |
16 |
18 |
|
3033 1/4 |
G1/4 |
5 |
5,5 |
32 |
22 |
20 |
35 |
|
3033 3/8 |
G3/8 |
7 |
5,5 |
40 |
26 |
25 |
73 |
|
3033 1/2 |
G1/2 |
8 |
5,5 |
50 |
34 |
30 |
137 |
![]() |
Показати більше
Код![]() |
Найменування![]() |
|---|
| Матеріали |
латунь OT58 покрита нікелем |
| Приєднання |
трубна конічна ISO 7 (BSPT) трубна циліндрична ISO 228 (BSP) |
| Тиск |
40 бар |
| Робоче середовище |
стиснене повітря і рідина, сумісна з матеріалами фітингів |
| Температура |
-40°C ÷ 120°C |

