-
Переміщення
- Пневмоциліндри за міжнародними стандартами
- Компактні пневмоциліндри (притискні)
- Пневмоциліндри з неіржавної сталі
- Пневмоциліндри з вбудованими напрямними
- Пневмоциліндри не за стандартом
- Поворотні пневмоциліндри
- Безштокові пневмоциліндри
- Магнітні датчики положення
- Додаткове приладдя до циліндрів
- Спеціальні рішення
- Управління
- З’єднання
- Підготовка повітря
- Магістральна підготовка повітря
- Трубопровідна арматура
- Захвати Пневматичні
- Компоненти вакуумної системи
- Електричні приводи
Нова продукція
Циклонні сепаратори розроблені для високоефекти
Магістральний фільтр - це спеціальни
Фільтри серії FYD розроблені для високоеф
Фільтри F4-...-О2 для роботи з киснем були спец
Опис
Проста конструкція циліндрів Серії QP і QPR підвищує їх надійність і збільшує термін служби. На корпусі вздовж вісі циліндра виконані пази для кріплення магнітних датчиків міс- цеположення. Циліндри Серії QPR із вбудованою платформою і напрямними являють собою завершені модулі лінійного переміщення, які ідеально вирішують завдання переміщення деталей у системах автоматичного завантаження, нанесення маркування на упаковку, зміну інструменту і оснастки при умові заданої просторової орієнтації.
ТАБЛИЦЯ ЗНАЧЕНЬ СТАНДАРТНОГО ХОДУ ЦИЛІНДРІВ СЕРІЇ QP/QPR
■ = двосторонньої дії
✖ = односторонньої дії
● = з протиповоротною платформою
| Ø | 5 | 10 | 15 | 20 | 25 | 30 | 35 | 40 | 45 | 50 | 60 | 75 | 80 | 100 |
| 12 | ■ ✖ ● | ■ ✖ ● | ■ ✖ ● | ■ ✖ | ■ ✖ | ■ ● | ■ | ■ | ■ | |||||
| 16 | ■ ✖ ● | ■ ✖ ● | ■ ✖ ● | ■ ✖ ● | ■ ✖ ● | ■ ● | ■ ● | ■ ● | ■ ● | ■ ● | ■ ● | ■ ● | ■ | ■ |
| 20 | ■ ✖ ● | ■ ✖ ● | ■ ✖ ● | ■ ✖ ● | ■ ✖ ● | ■ ● | ■ ● | ■ ● | ■ ● | ■ ● | ■ ● | ■ ● | ■ ● | ■ ● |
| 25 | ■ ✖ ● | ■ ✖ ● | ■ ✖ ● | ■ ✖ ● | ■ ✖ ● | ■ ● | ■ ● | ■ ● | ■ ● | ■ ● | ■ ● | ■ ● | ■ ● | ■ ● |
| 32 | ■ ✖ ● | ■ ✖ ● | ■ ✖ ● | ■ ✖ ● | ■ ✖ ● | ■ ● | ■ ● | ■ ● | ■ ● | ■ ● | ■ ● | ■ ● | ■ ● | ■ ● |
| 40 | ■ ✖ ● | ■ ✖ ● | ■ ✖ ● | ■ ✖ ● | ■ ✖ ● | ■ ● | ■ ● | ■ ● | ■ ● | ■ ● | ■ ● | ■ ● | ■ ● | ■ ● |
| 50 | ■ ✖ ● | ■ ✖ ● | ■ ✖ ● | ■ ✖ ● | ■ ✖ ● | ■ ● | ■ ● | ■ ● | ■ ● | ■ ● | ■ ● | ■ ● | ■ ● | ■ ● |
| 63 | ■ ✖ ● | ■ ✖ ● | ■ ✖ ● | ■ ✖ ● | ■ ✖ ● | ■ ● | ■ ● | ■ ● | ■ ● | ■ ● | ■ ● | ■ ● | ■ ● | ■ ● |
| 80 | ■ ✖ ● | ■ ✖ ● | ■ ✖ ● | ■ ✖ ● | ■ ✖ ● | ■ ● | ■ ● | ■ ● | ■ ● | ■ ● | ■ ● | ■ ● | ■ ● | ■ ● |
| 100 | ■ ✖ ● | ■ ✖ ● | ■ ✖ ● | ■ ✖ ● | ■ ✖ ● | ■ ● | ■ ● | ■ ● | ■ ● | ■ ● | ■ ● | ■ ● | ■ ● | ■ ● |
ПНЕВМАТИЧНІ СИМВОЛИ
![]() |
РЕМКОМПЛЕКТИ
| Діаметр поршня, мм | Кодування ремкомплекту | Склад ремкомплекту |
| 12 | K02-QP12 |
Кільце ущільнення кришки – 2 шт. Манжета поршня першого типу – 2 шт. Манжета поршня другого типу – 2 шт. Манжета штоку – 1 шт. |
| 16 | K02-QP16 |
Кільце ущільнення кришки – 2 шт. Кільце ущільнення поршня першого типу – 1 шт. Кільце ущільнення поршня другого типу – 1 шт. Манжета поршня – 2 шт. Манжета штоку – 1 шт. |
|
20 25 |
K02-QP20 K02-QP25 |
Кільце ущільнення поршня – 1 шт. Кільце ущільнення кришки – 2 шт. Манжета поршня – 2 шт. Манжета штоку – 1 шт |
|
32 40 50 63 80 100 |
K02-QP32 K02-QP40 K02-QP50 K02-QP63 K02-QP80 K02-QP100 |
Антифрикційне кільце – 1 шт. Кільце ущільнення поршня – 1 шт. Кільце ущільнення кришки – 2 шт. Манжета поршня – 2 шт. Манжета штоку – 1 шт |
ЗАЛЕЖНІСТЬ МАКСИМАЛЬНО ДОПУСТИМОГО КРУТНОГО МОМЕНТУ ВІД ХОДУ
![]() |
![]() |
![]() |
![]() |
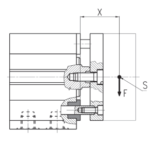
ЗАЛЕЖНІСТЬ МАКСИМАЛЬНО ДОПУСТИМОГО РАДІАЛЬНОГО НАВАНТАЖЕННЯ ВІД ПЛЕЧА
![]() |
![]() |
|
x = плече відносно монтажного майданчика S = точка прикладання згинального навантаження F = згинальне навантаження |
![]() |
![]() |
F = згинальне навантаження
Код![]() |
Найменування![]() |
|---|
| Конструкція |
серія QP: компактний профіль серія QPR: компактний з протиповоротними напрямними |
| Дія |
серія QP: односторонньої дії з пружинним поверненням; двосторонньої дії серія QPR: двосторонньої дії |
| Матеріали | корпус – анодований алюміній; шток – неіржавна сталь; ущільнення – NBR (FKM по замовленню) |
| Робоча температура | 0°C ÷ 80°C (при сухому повітрі -20°C) |
| Кріплення | отвори в корпусі, підвіс, лапи |
| Робочий тиск |
1 ÷ 10 бар (тільки для двосторонньої дії) 2 ÷ 10 бар (тільки для односторонньої дії) |
| Робоче середовище | очищене повітря без необхідності маслорозпилення. Потребує встановлення відцентрового фільтру 25 мкм, для забезпечення класу очищення повітря за стандартом ISO 8573-1: 2010 [7:8:4]. |
| Хід (мін. - макс.) |
серія QP: ø12 ÷ ø 25 = 1÷ 150 мм / ø 32 ÷ ø 100 = 1÷200 мм серія QPR: ø 12 = 1÷50 мм / ø 16 = 1÷75 мм / ø 20 ÷ ø 100 = 1÷ 100 мм |
| Хід | мінімальний хід при використанні датчиків - 10 мм |
| Діаметр | ø 12, 16, 20, 25, 32, 40, 50, 63, 80, 100 мм |









