Магістральний фільтр - це спеціальни
-
Переміщення
- Пневмоциліндри за міжнародними стандартами
- Компактні пневмоциліндри (притискні)
- Пневмоциліндри з неіржавної сталі
- Пневмоциліндри з вбудованими напрямними
- Пневмоциліндри не за стандартом
- Поворотні пневмоциліндри
- Безштокові пневмоциліндри
- Магнітні датчики положення
- Додаткове приладдя до циліндрів
- Спеціальні рішення
- Управління
- З’єднання
- Підготовка повітря
- Магістральна підготовка повітря
- Трубопровідна арматура
- Захвати Пневматичні
- Компоненти вакуумної системи
- Електричні приводи
Нова продукція
Фільтри серії FYD розроблені для високоеф
Фільтри F4-...-О2 для роботи з киснем були спец
Витратомір Серії FS розрахований на діапазон витра
Ці кульові крани MINI використовуються для відкрит
Пропорційний регулятор тиску Серії PME є ідеальним
Мініслайдери Серії MSN є оптимальним рішенням для
Пневматичні слайдери Серії MST є ідеальним рішення
Завдяки широкому діапазону доступних опцій, пневма
Завдяки широкому діапазону доступних опцій, пневма
Завдяки широкому діапазону доступних опцій, пневма
Завдяки широкому діапазону доступних опцій, пневма
Завдяки широкому діапазону доступних опцій, пневма
Дана засувка призначена для целюлози, цементного ш
Дана засувка призначена для целюлози, цементного ш
FD7900
Опис
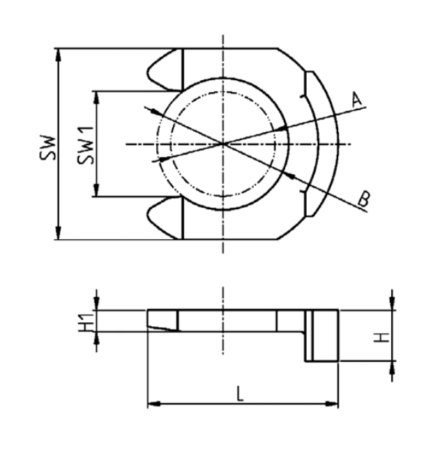
Швидкороз'ємні фітинги Серії FD призначені для води, харчових продуктів, стисненого повітря, вакууму та інших рідин та газів. Цангове з'єднання дозволяє швидко підключати та знімати трубку, знижуючи тимчасові витрати. Фітинги виготовлені з нетоксичних матеріалів та підтверджені сертифікатами NSF та ACS.
![]() |
| Мод. | A | B | H | H1 | L | SW | SW1 | Вага(г) |
| FD7900 4 | 4 | 6.2 | 2.8 | 1.1 | 11 | 10.2 | 4.3 | 0.09 |
| FD7900 6 | 6 | 8 | 3.1 | 1.3 | 11.6 | 11.6 | 6.4 | 0.12 |
| FD7900 8 | 8 | 9.6 | 3.3 | 1.4 | 13.9 | 13.5 | 7.3 | 0.16 |
| FD7900 10 | 10 | 11.8 | 3.4 | 1.4 | 16.4 | 16 | 9.2 | 0.23 |
| FD7900 12 | 12 | 14.4 | 3.6 | 1.4 | 19 | 19 | 11.1 | 0.3 |
Показати більше
Код![]() |
Найменування![]() |
|---|
| Матеріали | корпус – POM (поліформальдегід), ущільнення EPDM, цанга – POM і AISI301 |
| Температура | від -60°C до +100°C |
| Тиск | -0,7 ÷ 20 бар |
| Матеріал трубок, які комутуються | фторопласт, поліетилен, поліуретан, поліамід, поліестер, латунь, неіржавна сталь |
| Зовнішній діаметр трубок | 4, 6, 8, 10, 12 мм |

