Магістральний фільтр - це спеціальни
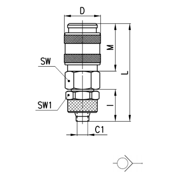
Фітинг 5054 та 5084
| Код | Найменування |
|---|
|
Група |
автоматичні клапани з самозакриванням |
|
Конструкція |
клапанного типу |
|
Кріплення |
різьбове з’єднання |
|
Приєднання |
трубна циліндрична різьба ISO 228 (BSP) |
| Матеріали | корпус – нікельована латунь (OT58), в з’єднаннях з цифрою “8” в коді – загартована оцинкована сталь, ущільнення – NBR, кульки – неіржавна сталь |
|
Приєднання |
1/8” GAS, 1/4” GAS, 3/8” GAS, 1/2” GAS – для пластикових трубок і гумових шлангів |
|
Робоча температура |
0°C ÷ 80°C (при сухому повітрі -20°C) |
|
Робочий тиск |
-0,99 ÷ 12 бар |
|
Номінальний тиск |
6 бар |
|
Номінальні витрати |
див. графік |
|
Умовний прохід |
ø5 і ø7 мм |
|
Робоче середовище |
стиснене повітря (при використанні інших середовищ, будь ласка, зв’яжіться з нашими інженерами) |
Приклад монтажу
![]() |
Графік витрати
Графік призначений для вибору потрібної моделі згідно з робочим тиском і необхідною витратою. Вимірювання були проведені на моделях, позначених на графіку, при максимально можливій витраті.
![]() |



