-
Переміщення
- Пневмоциліндри за міжнародними стандартами
- Компактні пневмоциліндри (притискні)
- Пневмоциліндри з неіржавної сталі
- Пневмоциліндри з вбудованими напрямними
- Пневмоциліндри не за стандартом
- Поворотні пневмоциліндри
- Безштокові пневмоциліндри
- Магнітні датчики положення
- Додаткове приладдя до циліндрів
- Спеціальні рішення
- Управління
- З’єднання
- Підготовка повітря
- Магістральна підготовка повітря
- Трубопровідна арматура
- Захвати Пневматичні
- Компоненти вакуумної системи
- Електричні приводи
Нова продукція
Циклонні сепаратори розроблені для високоефекти
Магістральний фільтр - це спеціальни
Фільтри серії FYD розроблені для високоеф
Фільтри F4-...-О2 для роботи з киснем були спец
Кульові крани мініатюрного виконання застосовую
Опис
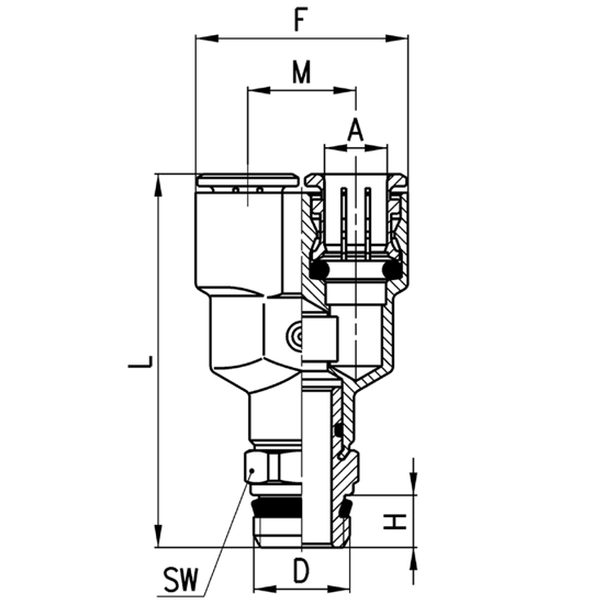
Швидкороз'ємні фітинги серії 6000 розроблені зі спеціальною цангою, що забезпечує рівномірне ущільнення всієї поверхні пластикових трубок, тим самим забезпечуючи високу надійність і тривалий термін експлуатації, дозволяючи багато разів приєднувати і від'єднувати трубки. Широка номенклатура даних фітингів включає різні типи приєднувальних різьб: метрична, BSP і BSPT.
Мод. | A | D | F | H | L | M | SW | Вага (г) |
|
|---|---|---|---|---|---|---|---|---|---|
6451 4-M5 | 4 | M5 | 18 | 4 | 26,5 | 9 | - | 17 | ⋆ |
6451 6-M5 | 6 | M5 | 24,5 | 4 | 29,5 | 12,5 | - | 27 | ⋆ |
S6450 4-1/8 | 4 | G1/8 | 18 | 5,5 | 38 | 9 | 12 | 23 | ° |
S6450 6-1/8 | 6 | G1/8 | 24,5 | 5,5 | 41,5 | 12,5 | 12 | 33 | ° |
S6450 8-1/8 | 8 | G1/8 | 28,5 | 5,5 | 48,5 | 14,5 | 14 | 48 | ° |
S6450 8-1/4 | 8 | G1/4 | 28,5 | 7 | 50 | 14,5 | 14 | 50 | ° |
⋆ = неповоротна модель, фітинги з ущільненням Мод. 2661
° = Фітинги з ущільнюючим кільцем Sprint ®
![]() |
Код![]() |
Найменування![]() |
|---|
| Матеріали | корпус і цанга: нікельована латунь; кільце ущільнювача: NBR; різьбове ущільнення: PTFE, NBR, PA |
| Різьба | Серія 6000 Micro: M3, M5, M7, G1 / 8, G1 / 4 Серія 6000: конічна ISO 7 (BSPT), NPT - за запитом |
| Тиск | -0,9 ÷ 16 бар (див. Характеристики трубок) |
| Трубки для приєднання | поліестер, поліамід, поліетилен, поліуретан, PTFE |
| Зовнішній Ø трубки | Серія 6000 Micro: ø 3, 4, 6, 8, 10 мм Серія 6000: ø 4, 5, 6, 8, 10, 12, 14, 16 мм |
| Робоче середовище | Стиснене повітря (при використанні інших середовищ, будь ласка, зверніться до наших інженерів) |
| Температура | Серія 6000 Micro: -10 ° C ÷ 80 ° C (див. Характеристики трубок) Серія 6000: -20 ° C ÷ 80 ° C (див. Характеристики трубок) |
Приклад монтажу
![]() |


