-
Переміщення
- Пневмоциліндри за міжнародними стандартами
- Компактні пневмоциліндри (притискні)
- Пневмоциліндри з неіржавної сталі
- Пневмоциліндри з вбудованими напрямними
- Пневмоциліндри не за стандартом
- Поворотні пневмоциліндри
- Безштокові пневмоциліндри
- Магнітні датчики положення
- Додаткове приладдя до циліндрів
- Спеціальні рішення
- Управління
- З’єднання
- Підготовка повітря
- Магістральна підготовка повітря
- Трубопровідна арматура
- Захвати Пневматичні
- Компоненти вакуумної системи
- Електричні приводи
Нова продукція
Циклонні сепаратори розроблені для високоефекти
Магістральний фільтр - це спеціальни
Фільтри серії FYD розроблені для високоеф
Фільтри F4-...-О2 для роботи з киснем були спец
Кульові крани мініатюрного виконання застосовую
Опис
Швидкороз'ємні фітинги серії 6000 розроблені зі спеціальною цангою, що забезпечує рівномірне ущільнення всієї поверхні пластикових трубок, тим самим забезпечуючи високу надійність і тривалий термін експлуатації, дозволяючи багато разів приєднувати і від'єднувати трубки. Широка номенклатура даних фітингів включає різні типи приєднувальних різьб: метрична, BSP і BSPT.
Фітинги з ущільнюючим кільцем Sprint®
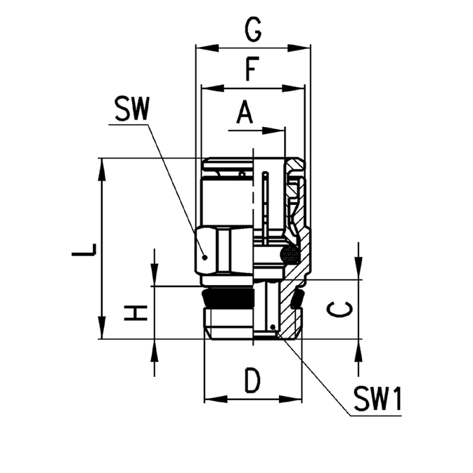
| Мод. | A | D | C | F | G | H | L | SW | SW1 | Вага (г) |
|---|---|---|---|---|---|---|---|---|---|---|
| S6510 4-1/8 | 4 | G1/8 | 3,8 | 8,8 | 13,2 | 5,5 | 18 | 12 | 2,5 | 9 |
| S6510 4-1/4 | 4 | G1/4 | 5,5 | 8,8 | 15,2 | 7 | 19,5 | 14 | 2,5 | 15 |
| S6510 5-1/8 | 5 | G1/8 | 3,8 | 9,8 | 13,2 | 5,5 | 19 | 12 | 3 | 8 |
| S6510 5-1/4 | 5 | G1/4 | 5,5 | 9,8 | 15,2 | 7 | 20 | 14 | 3 | 14 |
| S6510 6-1/8 | 6 | G1/8 | 6 | 11,7 | 13,2 | 5,5 | 22 | 12 | 4 | 10 |
| S6510 6-1/4 | 6 | G1/4 | 5,5 | 11,7 | 15,2 | 7 | 21 | 14 | 4 | 14 |
| S6510 6-3/8 | 6 | G3/8 | 6,5 | 11,7 | 20,5 | 8 | 22,5 | 19 | 4 | 27 |
| S6510 8-1/8 | 8 | G1/8 | 7,5 | 13,7 | 15,2 | 5,5 | 25 | 14 | 5 | 13 |
| S6510 8-1/4 | 8 | G1/4 | 6,5 | 13,7 | 15,2 | 7 | 24 | 14 | 6 | 14 |
| S6510 8-3/8 | 8 | G3/8 | 6 | 13,7 | 20,5 | 8 | 23,5 | 19 | 6 | 25 |
| S6510 8-1/2 | 8 | G1/2 | 7,5 | 13,7 | 24,5 | 9 | 25 | 22 | 6 | 43 |
| S6510 10-1/4 | 10 | G1/4 | 8,3 | 15,4 | 18,5 | 7 | 28,5 | 17 | 7 | 23 |
| S6510 10-3/8 | 10 | G3/8 | 5,3 | 15,4 | 20,5 | 8 | 25,5 | 19 | 8 | 27 |
| S6510 10-1/2 | 10 | G1/2 | 4,8 | 15,4 | 24,5 | 9 | 25 | 22 | 8 | 39 |
| S6510 12-1/4 | 12 | G1/4 | 10,3 | 18,3 | 20,5 | 7 | 29,5 | 19 | 7 | 26 |
| S6510 12-3/8 | 12 | G3/8 | 9,3 | 18,3 | 20,5 | 8 | 28,5 | 19 | 9 | 30 |
| S6510 12-1/2 | 12 | G1/2 | 5,8 | 18,3 | 24,5 | 9 | 25 | 22 | 10 | 36 |
| S6510 14-3/8 | 14 | G3/8 | 10,3 | 20,5 | 24,5 | 8 | 30,5 | 22 | 9 | 42 |
| S6510 14-1/2 | 14 | G1/2 | 6,3 | 20,5 | 24,5 | 9 | 26,5 | 22 | 12 | 34 |
| S6510 16-1/2 | 16 | G1/2 | 9 | 23,5 | 26,5 | 9 | 32 | 24 | - | 42 |
| S6510 16-3/4 | 16 | G3/4 | 3,5 | 23,5 | 27,3 | 9 | 26,5 | 24 | - | 4 |
![]() |
Код![]() |
Найменування![]() |
|---|
| Матеріали | корпус і цанга: нікельована латунь; кільце ущільнювача: NBR; різьбове ущільнення: PTFE, NBR, PA |
| Різьба | Серія 6000 Micro: M3, M5, M7, G1 / 8, G1 / 4 Серія 6000: конічна ISO 7 (BSPT), NPT - за запитом |
| Тиск | -0,9 ÷ 16 бар (див. Характеристики трубок) |
| Трубки для приєднання | поліестер, поліамід, поліетилен, поліуретан, PTFE |
| Зовнішній Ø трубки | Серія 6000 Micro: ø 3, 4, 6, 8, 10 мм Серія 6000: ø 4, 5, 6, 8, 10, 12, 14, 16 мм |
| Робоче середовище | Стиснене повітря (при використанні інших середовищ, будь ласка, зверніться до наших інженерів) |
| Температура | Серія 6000 Micro: -10 ° C ÷ 80 ° C (див. Характеристики трубок) Серія 6000: -20 ° C ÷ 80 ° C (див. Характеристики трубок) |
Приклад монтажу
![]() |


